×

Корзина товаров

Начните покупки прямо сейчас. У нас много полезных товаров.

Начать покупки

Гидравлический домкрат Giant-Move LF-A100 10 тонн

Мнение инженера PGE

«LF-A100 — это не просто "бутылка", а полноценный такелажный инструмент. Главная "фишка" Giant-Move здесь — полноповоротный корпус на 360 градусов. В тесных цехах, когда нужно подлезть под станок, вы не ограничены положением рычага — качайте под любым углом. Гидравлика здесь промышленного типа с прецизионной подгонкой клапана сброса. Это позволяет опускать многотонную махину буквально по миллиметру, без рывков, что критично для прецизионного оборудования. Станина выполнена из кованой стали, что исключает появление трещин при боковых нагрузках, которыми часто грешат дешевые литые аналоги».


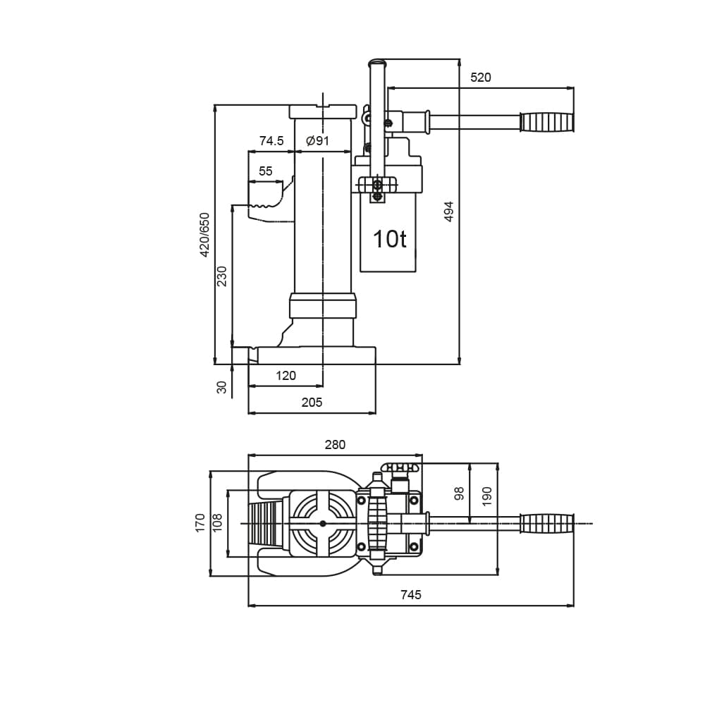
Технические характеристики

  • Грузоподъемность: 10 тонн

    • Зачем это знать: Это чистый рабочий вес. Наличие системы Overload Protection (защита от перегрузки) гарантирует, что при попытке поднять 11 тонн сработает перепускной клапан, сохранив целостность манжет и зеркала цилиндра.

13 800 грн с НДС

ОПЛАТА

БЕЗОПАСНЫЕ ПЛАТЕЖИ

Заказ счета! *

+38 (050) 550 45 40

ДОСТАВКА

* Вы можете забрать ваш заказ самостоятельно

** Наши логисты найдут ДОГРУЗ для отправки

Возврат: Не использованной продукции в течении 14 дней “В соответствии со ст. 9 п. 1 Закона Украины "О защите прав потребителей"”

  • Поворотный узел: 360°

    • Зачем это знать: Позволяет оператору занять безопасную позицию в стороне от груза, независимо от того, где находится точка подхвата.

  • Регулировка скорости опускания

    • Зачем это знать: Встроенный игольчатый клапан позволяет контролировать скорость стравливания давления. Это исключает "эффект падения" груза, который может повредить пол или саму технику.

  • Съемный рычаг насоса

    • Зачем это знать: Упрощает рычажное усилие и делает домкрат мобильным при транспортировке в инструментальном ящике.

  • Минимальная высота подхвата (лапы)

    • Зачем это знать: Позволяет поднимать объекты практически с уровня пола, когда под рамой оборудования нет места для стандартного бутылочного домкрата.

Модель
LF-A50
LF-A100
LF-A250
Максимальная нагрузка, кг
50001000025000
Диапазон подъема стопы, мм
25-23030-26025-273
Диапазон подъема головки, мм
368-573420-650505-720
Максимальное усилие рычага, кг
384040
Транспортировочные размеры (д*ш*в), мм / Вес, кг
300х190х438 / 25320х190х494 / 35102

Сервис, Гарантия и Доставка

  • Сервисная поддержка: Мы обеспечиваем полное ТО в Киеве, Днепре, Запорожье, Львове, Одессе и Харькове

  • Гарантия: 12 месяцев официальной гарантии на гидравлический узел.

  • Доставка: Отгрузка в день оплаты через САТ, Новую Почту или Деливери по всей Украине.

  • Оплата: Работаем с НДС, предоставляем полный пакет бухгалтерских документов.

Недавно Вы смотрели
×
Важно
Зафиксируйте цену сейчас!

В связи с мировым подорожанием цен на металл, с 26 апреля увеличение цен на ряд позиций.